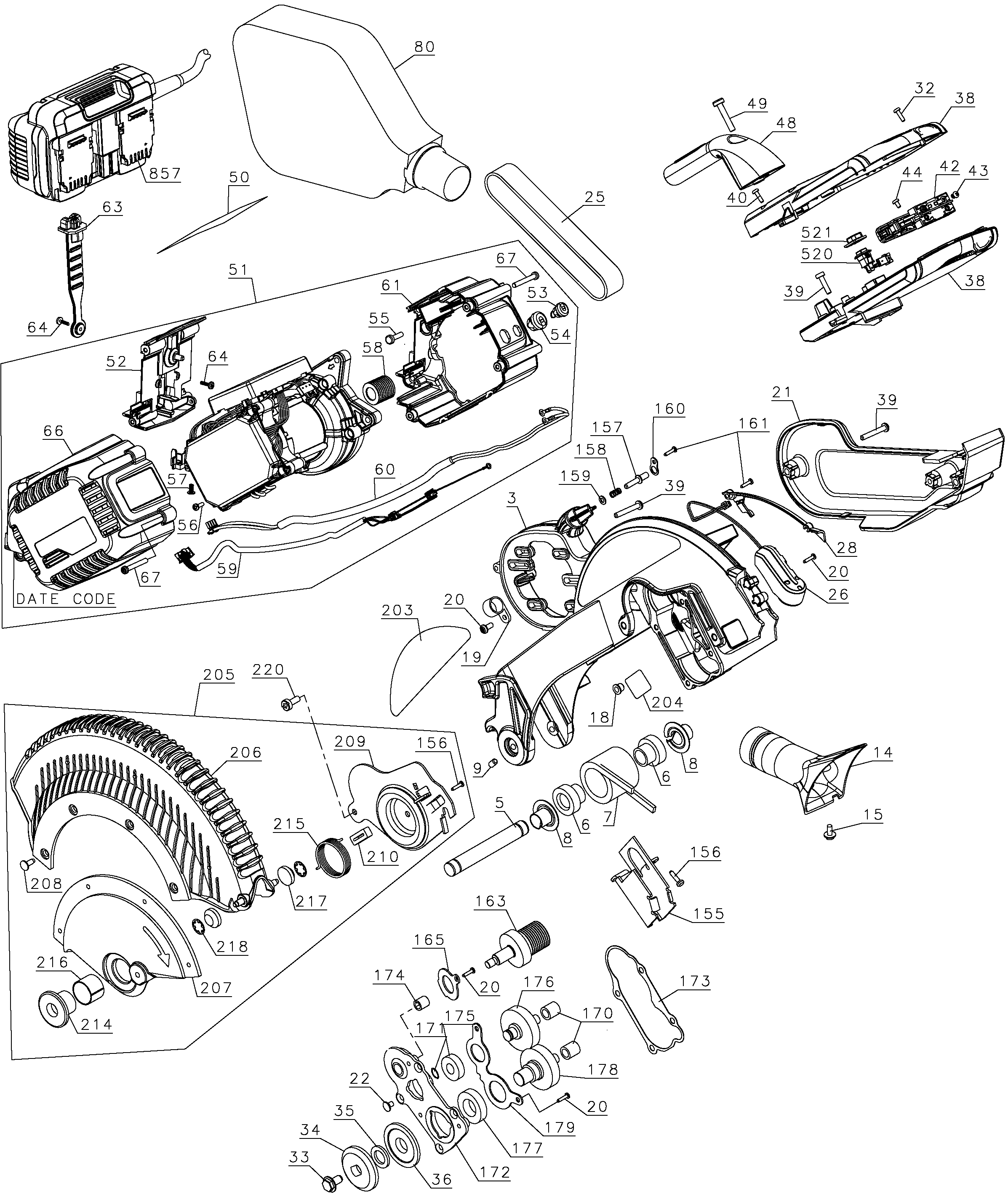
Dewalt DHS716 Type 20 Miter Saw Partswarehouse

Dewalt Dhs716. DEWALT DHS716T2 FLEXVOLT 12 IN. (305 MM.) 120V MAX DOUBLE BEVEL (305 mm.) 120V MAX* Compound Miter Saw delivers the power and cutting capacity that professionals demand on the jobsite Users appreciate the innovative cutline feature, which provides a clear shadow for precise cuts, and the overall build quality of the saw

Dewalt DHS716 Type 20 Miter Saw Partswarehouse
Dewalt DHS716 Type 20 Miter Saw Partswarehouse from www.partswarehouse.com

Customers say the Dewalt miter saw is a reliable and powerful tool that delivers accurate cuts right out of the box The DEWALT DHS716AB FLEXVOLT 120V MAX* fixed miter saw bare tool features FLEXVOLT technology; this saw operates with the world's first battery that automatically changes voltage when you change tools.

Dewalt DHS716 Type 20 Miter Saw Partswarehouse

(305 mm.) 120V MAX* Compound Miter Saw delivers the power and cutting capacity that professionals demand on the jobsite Double-Bevel Compound Miter Saw features a stainless-steel miter detent plate with 14 positive stops and a cam miter lock system for repeatable accuracy and durability DHS716 12 in(305mm) Compound Miter Saw ; Warranty Information

Dewalt DHS790 DHS716 FlexVolt 120V MOTOR ASSEMBLY N473903 for Parts. However, some customers noted that the dust collection system could be improved and expressed a. DEWALT Miter Saw Stand, Heavy Duty with Miter Saw Mounting Brakets, Tool Only (DWX725B) $119.00 $ 119

New DeWalt DHS716 Cordless Compound Miter Saw Flex Volt 120V Max. + DEWALT 12-Inch Miter Saw Blade, Crosscutting, Tungsten Carbide, 80-Tooth and 32-Tooth, 2-Pack (DW3128P5, DW3123) Customers say the DeWalt 12-inch Double-Bevel Compound Miter Saw with Cutline LED is a powerful and accurate tool that excels in various woodworking tasks